Тепловой гидродинамический насос
Тепловой гидродинамический насос — устройство для получения тепла, образующегося иначе, чем в процессе сгорания топлива. Преобразует механическую энергию вращения двигателя в тепловую энергию рабочей жидкости.
Не является тепловым насосом в его термодинамическом понимании.
Устройство[править]
Тепловой гидродинамический насос состоит из следующих основных частей:
- Теплогенератора;
- Электродвигателя;
- Соединительной муфты;
- Рамы;
- Прибора управления (контроллера).
Теплогенератор и электродвигатель смонтированы на единой раме. Вращающий момент от электродвигателя передается на теплогенератор через соединительную муфту.
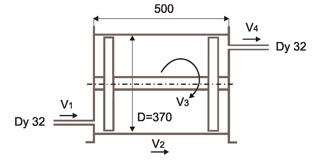
Теплогенератор имеет цилиндрический корпус, две крышки с устройствами уплотнения и подшипниковыми узлами. Внутри корпуса размещен вал с жестко посаженными на него дисками специальной формы (в зависимости от мощности, от 1 до 4 дисков). На крышках имеются патрубки (входной или выходной) для присоединения к системе теплоснабжения.
Применяется стандартный, двухполюсный асинхронный электродвигатель, 3000 об/мин, напряжением питания 380 В.
Возможно создание конструкции с другими видами двигателей (дизельными, ветряными и т. д.), имеющих другие рабочие обороты (1500, 6000, 10000 об./мин.).
Принцип работы[править]
Жидкий теплоноситель (вода) в трубопроводе системы теплоснабжения прокачивается циркуляционным насосом поступательно с линейными скоростями = Невозможно разобрать выражение (Ошибка преобразования. Сервер («https://wikimedia.org/api/rest_») сообщил: «Cannot get mml. Server problem.»): {\displaystyle V_{4}} = 1 м/мин. Попадая внутрь корпуса теплогенератора теплоноситель под воздействием разных сил начинает двигаться по сложной траектории. На входе во внутреннюю полость теплогенератора скачкообразно изменяется поступательная линейная скорость потока, снижаясь до = 0,14 м/мин, через теплогенератор вода прокачивается за 3,5 минуты. Одновременно поток вовлекается дисками во вращательное движение с частотой вращения 3000 об/мин. Линейная скорость вращающегося потока изменяется от = 565 м/мин у вала, до = 3485 м/мин у корпуса теплогенератра. Под действием центробежных сил вода перемещается от центра к периферии теплогенератора. В центре возникает разряжение, а у корпуса избыточное давление. Кроме этого диски имеют отверстия и специальный профиль поверхности, которые вызывают турбулентность в потоке воды. Создаются условия для возникновения гидравлической кавитации. В теплогенераторе пузырьки возникают в зоне разряжения и отбрасываются центробежными силами на периферию, где схлопываются. Гидродинамическая кавитация характеризуется тем, что вся масса жидкости участвует в процессах образования (развития и схлопывания) кавитационных полостей. Создаются условия генерирования кавитационных пузырьков, близких по величине диаметра. Кавитационные пузырьки схлопываются в потоке теплоносителя, разрушения элементов теплогенератора не происходит. Газы и пары внутри пузырька сжимаются, интенсивно выделяя тепло, за счет которого повышается температура жидкости в непосредственной близости от пузырька, и, таким образом, создается горячая микрообласть. Газ, содержащийся в пузырьке, достигает температуры около 5500 °C, тогда как жидкость в непосредственной близости от пузырька — 2100 °C. Для сравнения — температура пламени ацетиленовой горелки составляет около 2400 °C. Хотя давление, достигаемое при схлопывании пузырька, труднее определить экспериментально, чем температуру, между этими двумя величинами существует корреляция. Таким образом, для максимального давления можно получить оценку 500 атм.[1]
На практике, в зависимости от температуры теплоносителя на входном патрубке и объема прокачки, за один проход через теплогенератор, теплоноситель нагревается на 14 — 24 °C. Рекомендуемый объем прокачки для тепловых гидродинамических насосов в зависимости от установленной мощности электродвигателя приведен в таблице
| Мощность электродвигателя установки, кВт | 55 | 75 | 90 | 110 |
| Рекомендованный средний объем прокачки, м³/час | 3,0 | 4,0 | 5,0 | 6,0 |
Существуют и другие гипотезы объясняющие тепловыделение.
Практическое применение[править]
Тепловые гидродинамические насосы выпускаются на серийных заводах, имеют сертификат соответствия. Первые тепловые узлы, использующие тепловые гидродинамические насосы, начали эксплуатироваться в отопительном сезоне 2003/2004 г.г.[2]
См. также[править]
Источники[править]
- ↑ http://www.ntpo.com/patents_heat/heat_1/heat_3.shtml.
- ↑ Фото тепловых узлов[1]php
Литература[править]
- Козлов С. В. Теплотехнические испытания тепловых гидродинамических насосов. «Энергия» — 2009. — № 2. С. 29—36. ISSN 0233-36-19.
- Козлов С. В. О выделении энергии тепловыми гидродинамическими насосами. «Энергия» — 2009. — № 5. С. 12—17. ISSN 0233-36-19.


