Синтез автомата Мили по граф-схеме
Синтез автомата Мили по граф-схеме — метод построения функциональной схемы автомата.
Описание[править]
Автомат Мили (Mealy machine) — кортеж из 6 элементов, включающий: множество внутренних состояний S (внутренний алфавит); начальное состояние S0; множество входных сигналов X (входной алфавит); множество выходных сигналов Y (выходной алфавит); функция переходов X; функция выходов Y.
Определение[править]
Автомат Мили — конечный автомат, выходная последовательность которого зависит от состояния автомата и входных сигналов, в отличие от автомата Мура. Это означает, что в графе состояний каждому ребру соответствует некоторое значение (выходной символ). В вершины графа автомата Мили записываются выходящие сигналы, а дугам графа приписывают условие перехода из одного состояния в другое, а также входящие сигналы. Назван именем Джорджа Мили, учёного в области математики и компьютерных наук, придумавшего этот автомат.
Обозначения[править]
ГСА — граф-схема автомата;
ФСА — функциональная схема автомата;
a0 — вход вершины следующей за оператором — начальное и конечное состояние автомата;
am — вход вершины следующей за оператором — исходное состояние перехода;
as — вход вершины следующей за оператором — конечное состояние перехода;
am→as — переход из одного состояния в другое;
X(am,as) — логическое условие перехода;
Y(am,as) — функция выходов (микрокоманда);
Zi — промежуточные функции;
DC — дешифратор состояний автомата;
Di — значение на D-триггере.
Примеры:[править]
Пример 1[править]
Синтез автомата Мили по ГСА (рис.1).
Рис.1. ГСА автомата Мили с узлами.
Разметка состояний[править]
В автомате Мили входу каждой операторной вершины соответствует состояние автомата. Микрокоманда y1y2 вырабатывается УА при завершении его работы по ГСА. y1y2 — соответствует событию «операция выполнена». Искусственно введём y1y2 при любых переходах в начальное (конечное) состояние а0. Переход из состояния am в состояние as — это переход из одной операторной вершины в другую при выполнении логический условий X(am,as) на пути из am в as. Т.к. начальное и конечное состояние автомата совпадают, на ГСА искусственно добавлена еще одна операторная вершина, соответствующая состоянию a0.
Рис.2. Размеченная ГСА автомата Мили.
Построение прямой таблицы переходов 1[править]
Прямая таблица переходов строится по размеченной ГСА (рис.1). В ней указываются все возможные пути переходов из состояния аm в состояние аs, условия при которых переход из аm в аs, происходит по данному пути (X(am,as)), микрокоманда (Y(am,as)), вырабатывается автоматом на данном переходе. Все эти переходы описываются в прямой таблице переходов. В столбце X(am,as) единица записывается тогда, когда am в as переход осуществляется всегда.
Таблица 1.
Кодирование состояний[править]
Произведём кодирование узлов. УА с жесткой логикой имеет память состояний, которая обычно выполнена на D- или RS- триггерах, синхронизируемых фронтом. Каждое состояние кодируется двоичным числом. Минимальное количество триггеров для памяти состояний должно быть больше или равно log2 (количество состояний автомата). В данном примере |А| - количество состояний автомата = 5, поэтому число элементов памяти = 3. Коды состояний: k(a0)=100; k(a1)=011; k(a2)=010; k(a3)=001; k(a4)=000.
Построение обратной структурной таблицы 2[править]
Обратная структурная таблицы автомата строится из прямой таблицы переходов упорядочиванием строк по полю аs и добавлением столбцов k(am), k(as), F(am,as). В столбце F(am,as) — записываются значения сигналов управления элементами памяти. В данном примере в качестве элементов памяти выбраны D-триггера. Их состояние зависит от значения управляющего сигнала D на входе D-триггера.
Таблица 2.
Построим по таблице 2 граф переходов (см.рис.3).
Рис.3. Граф переходов.
Запись функции выходов и переходов автомата[править]
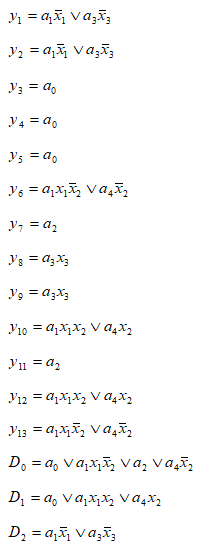
В функциях выходов yi= fi(am,X(am,as)), записанных в виде ДНФ, описываются условия формирования автоматом микрокоманды yi; am — исходное состояние, X(am,as) — условия перехода из am в as. В функциях переходов Di= fi(am,X(am,as)), также записанных в виде ДНФ, описываются значения сигналов управления элементами памяти, обеспечивающих переход из состояния am в as. Функции выходов и переходов могут быть минимизированы с использованием карт Карно или законов булевой алгебры. По обратной структурной таблице запишем функции для Yi и Di.
Построение ФСА автомата Мили[править]
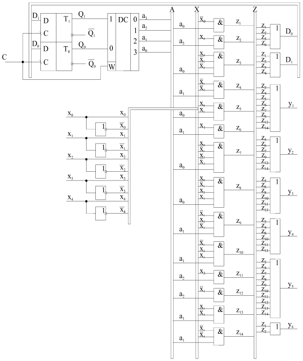
В качестве элементов памяти использованы D-триггера T1 и T0. DC — дешифратор состояний автомата. Zi — промежуточные функции — термы из функций. Их введение позволило упростить схему автомата.
Рис.4. ФСА автомата Мили на жёсткой логике.
Пример 2[править]
Синтез автомата Мили по ГСА (рис.5).
Рис.5. ГСА автомата Мили с узлами.
Разметка состояний[править]
В автомате Мили входу каждой операторной вершины соответствует состояние автомата. Микрокоманда y1y2 вырабатывается УА при завершении его работы по ГСА. y1y2 — соответствует событию «операция выполнена». Искусственно введём y1y2 при любых переходах в начальное (конечное) состояние а0. Переход из состояния am в состояние as — это переход из одной операторной вершины в другую при выполнении логический условий X(am,as) на пути из am в as. Т.к. начальное и конечное состояние автомата совпадают, на ГСА искусственно добавлена еще одна операторная вершина, соответствующая состоянию a0.
Рис.6. Размеченная ГСА автомата Мили.
Построение прямой таблицы переходов 3[править]
Прямая таблица переходов строится по размеченной ГСА (рис.5). В ней указываются все возможные пути переходов из состояния аm в состояние аs, условия при которых переход из аm в аs, происходит по данному пути (X(am,as)), микрокоманда (Y(am,as)), вырабатывается автоматом на данном переходе. Все эти переходы описываются в прямой таблице переходов. В столбце X(am,as) единица записывается тогда, когда am в as переход осуществляется всегда.
Таблица 3.
Кодирование состояний[править]
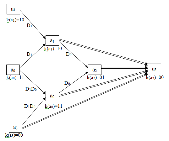
Произведём кодирование узлов. УА с жесткой логикой имеет память состояний, которая обычно выполнена на D- или RS- триггерах, синхронизируемых фронтом. Каждое состояние кодируется двоичным числом. Минимальное количество триггеров для памяти состояний должно быть больше или равно log2 (количество состояний автомата). В данном примере |А| - количество состояний автомата = 4, поэтому число элементов памяти = 2. Коды состояний: k(a0)=11; k(a1)=10; k(a2)=01; k(a3)=00.
Построение обратной структурной таблицы 4[править]
Обратная структурная таблицы автомата строится из прямой таблицы переходов упорядочиванием строк по полю аs и добавлением столбцов k(am), k(as), F(am,as). В столбце F(am,as) — записываются значения сигналов управления элементами памяти. В данном примере в качестве элементов памяти выбраны D-триггера. Их состояние зависит от значения управляющего сигнала D на входе D-триггера.
Таблица 4.
Построим по таблице 4 граф переходов (см.рис.7).
Рис.7. Граф переходов.
Запись функции выходов и переходов автомата[править]
В функциях выходов yi= fi(am,X(am,as)), записанных в виде ДНФ, описываются условия формирования автоматом микрокоманды yi; am — исходное состояние, X(am,as) — условия перехода из am в as. В функциях переходов Di= fi(am,X(am,as)), также записанных в виде ДНФ, описываются значения сигналов управления элементами памяти, обеспечивающих переход из состояния am в as. Функции выходов и переходов могут быть минимизированы с использованием карт Карно или законов булевой алгебры. По обратной структурной таблице запишем функции для Yi и Di.
Построение ФСА автомата Мили[править]
В качестве элементов памяти использованы D-триггера T1 и T0. DC — дешифратор состояний автомата. Zi — промежуточные функции — термы из функций. Их введение позволило упростить схему автомата.
Рис.8. ФСА автомата Мили на жёсткой логике.
Другие алгоритмы:[править]
- методы доказательств;
- алгоритмы в арифметике;
- алгоритмы перевода чисел;
- комбинаторные алгоритмы;
- сортировка;
- алгоритм определения мест;
- логистические алгоритмы;
- алгоритмы решения транспортных задач;
- численные методы;
- рекурсия;
- схема примитивной рекурсии;
- виды рекурсии;
- машина Поста;
- машина Тьюринга (вероятностная);
- синтез автомата Мили;
- синтез автомата Мура.
Другие разделы[править]
Ссылки[править]
- https://ru.wikipedia.org/wiki/Автомат_Мили
- Воронцов И.В. Курс лекций по предметам теория автоматов и системотехника. СамГТУ. 2012-2013г.
- Участник:Logic-samara













