SCADA
SCADA (англ. Supervisory Control And Data Acquisition) — программно-аппаратный комплекс сбора данных и диспетчерского контроля.
Главная задача SCADA-систем — сбор информации о состоянии объектов управления и отображение этой информации в едином диспетчерском центре. В большинстве случаев диспетчер должен иметь возможность не только пассивно наблюдать за объектами, но и управлять ими, реагируя на текущую ситуацию[1].
Система SCADA является частью общей системы управления предприятием или другим промышленным объектом и включает в себя:
- один или несколько соединённых в сеть компьютеров, выполняющих функции управления и реализующих человеко-машинный интерфейс (англ. HMI – Human-Machine Interface), соответствующий требованиям стандартов МЭК 60073-2000[2] и ГОСТ IEC 60447-2015[3];
- серию периферийных устройств (автономные модули ввода/вывода, интерфейсные модули ПЛК), взаимодействующих с технологическим процессом через датчики и исполнительные механизмы;
- протоколы связи, способные обеспечить обмен данными между периферийными устройствами и диспетчерскими компьютерами[4].
SCADA-системы используются во всех отраслях хозяйства, где требуется обеспечивать операторский контроль за технологическими процессами в реальном масштабе времени.
Основные задачи SCADA-систем[править]
SCADA-системы решают следующие задачи:
- сбор данных и представление их диспетчеру (оператору) в удобном для него виде, включая таблицы, мнемосхемы (условное графическое изображение управляемого объекта, отображающее ход производственного процесса), графики изменения параметров во времени;
- отслеживание работы исполнительных механизмов, а также дистанционное управление процессом в ручном режиме, в случае необходимости;
- ввод заданий (технологических рецептов);
- распознавание аварийных ситуаций и информирование оператора о срабатывании защит;
- формирование отчётности о ходе процесса и выработке продукции.
Основные группы SCADA-систем[править]
Можно выделить три основные группы SCADA-систем:
- SCADA-системы, разработанные производителями контроллеров. Компоненты таких систем оптимизированы для работы с данными, получаемыми от ПЛК конкретного производителя. Недостатком является то, что разработчик системы привязан к конкретному программному обеспечению и линейке оборудования. Классическим примером подобной системы служит инструментальная среда Simatic WinCC немецкого концерна Siemens, реализованная либо как отдельный пакет, либо как опция в составе интегрального пакета TIA Portal.
- SCADA-системы, разработанные независимыми производителями. Эти системы являются наиболее гибкими средствами для создания приложений визуализации и управления технологическими процессами. К их достоинствам можно отнести поддержку большого числа функций по созданию децентрализованных и распределённых систем управления, а также возможность интеграции в одной системе оборудования различных производителей.
- SCADA-системы сквозного программирования, предполагающие разработку операторских станций не в качестве отдельного проекта, а как составной части системы управления[5].
Структура системы[править]
Система SCADA обычно состоит из следующих основных элементов[1]:
- диспетчерские пункты управления, MTU (англ. Master Terminal Unit) — диспетчерские компьютеры;
- удаленные терминалы, RTU (англ. Remote Terminal Unit) — программируемые логические контроллеры и/или специализированные промышленные компьютеры, устанавливаемые на оборудовании;
- каналы связи, CS (англ. Communication System).
Диспетчерские компьютеры[править]
Диспетчерские компьютеры — это ядро системы SCADA, в котором собираются данные о процессе. В небольших системах управляющий компьютер может состоять из одного ПК, выполняющего роль сервера, оснащённого программным приложением для связи оператора с управляемым объектом (человеко-машинный интерфейс). В более крупных системах главная станция может включать в себя несколько несколько серверов для сбора данных и несколько HMI, размещённых на клиентских компьютерах.
Программируемые логические контроллеры (ПЛК)[править]
Для SCADA-систем, разработанных производителями ПЛК, характерна структура ПЛК-сервер SCADA. ПЛК осуществляют программное управление технологическим процессом по заданному алгоритму и предоставляют серверу SCADA-системы необходимую информацию о состоянии объекта, режимах работы оборудования в целом и его участков. На этом уровне выполняются следующие задачи:
- обработка информации, поступающей с датчиков;
- управление исполнительными механизмами;
- обмен информацией с сервером SCADA.
ОРС-сервер[править]
Для SCADA-систем, разработанных независимыми производителями, наиболее удобным оказался стандарт ОРС (англ. Open Platform Communications, ранее OLE for Process Control). В программные пакеты SCADA-систем была введена опция для работы дисчпетчерского компьютера в качестве ОРС-клиента, а производители аппаратного обеспечения стали снабжать свои контроллеры, модули ввода-вывода, интеллектуальные датчики и исполнительные устройства интерфейсом для работы с ОРС-сервером. Благодаря этому стало возможным подключение любого физического устройства к любой SCADA-системе, при условии соответствия стандарту ОРС [6].
Стандарт OPC UA (англ. Unified Architecture) устанавливает методы обмена сообщениями между ОРС-сервером и клиентом, не зависящие от аппаратно-программной платформы, от типа взаимодействующих систем и сетей.
Инфраструктура связи[править]
Линии связи соединяют диспетчерские компьютеры, ПЛК и отдельные участки, работающие в автономном режиме. Это могут быть промышленные сети на основе протоколов PROFIBUS, Industrial Ethernet и другие.
Компоненты SCADA-системы[править]
Ниже приведены основные компоненты SCADA-системы, позволяющие создать проект и отобразить картину протекающего процесса.
Мнемосхемы[править]
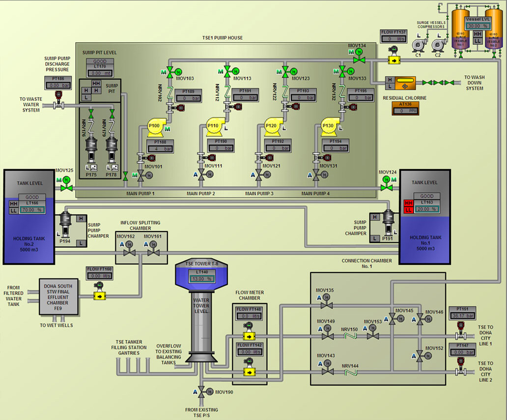
Мнемосхема — это графическое изображение (посредством встроенного в SCADA графического редактора) технологической схемы с визуализацией значений датчиков, состояния исполнительных механизмов и других параметров. Для визуализации используется не только отображение значений в виде цифр и надписей, но и изменение визуальных свойств отображаемых графических объектов. Например, в отображении ёмкости изменяется уровень жидкости, кроме того, цвет жидкости изменяется в зависимости от её температуры. Состояние исполнительного механизма визуализируется не только каким-то графическим признаком (например, зелёным цветом, когда механизм в работе), но и наглядно показана его работа. Например, посредством анимации может быть показано вращение лопастей насоса, движение ленты конвейера.
Тренды[править]
Тренд — это графическое отображение изменения параметра во времени. Тренды в SCADA-системах могут отображать изменение параметра за всё время его хранения в архиве, причём в удобном для просмотра масштабе времени. В развитых системах в тренд встроены различные инструменты анализа графика, сравнения его с уставкой или другим параметром, сглаживание или фильтрация, отметки на графике событий (например, нарушение заданных границ) и многое другое.
Таблицы[править]
Зачастую технологу удобнее анализировать данные, представленные не в виде графиков, а в виде таблиц. Обычно эти таблицы можно не только просматривать, но и экспортировать в другие системы, например, сохранять в формате Exсel.
Сообщения[править]
Сообщения — это текстовые строки, информирующие оператора о событиях на объекте в той последовательности, в которой эти события происходят. Сообщения всплывают на экране или отображаются в специально выделенной для этого зоне.
Журналы сообщений служат для отображения списков сообщений в порядке их появления и сохранения в архиве. Как правило, используются разные экземпляры журналов для разных зон процесса, разных категорий сообщений, разных приоритетов.
Рецепты[править]
Рецепты — это заранее сформированные технологические режимы и уставки, которые оператор (диспетчер) может использовать для загрузки в ПЛК и тем самым осуществлять текущее управление режимами работы оборудования.
Программа разработки проекта[править]
Программно-инструментальный комплекс позволяет разработать все перечисленные компоненты в составе единого проекта, а также осуществить привязку переменных из памяти ПЛК или OPC-сервера к соответствующим элементам SCADA-системы посредством создания таблицы промежуточных меркеров — тегов (англ. tag — ярлык, этикетка, бирка).
После того, как проект был создан, отлажен и сохранён, он может быть запущен в работу переходом в режим Runtime (выполнение в реальном времени).
Модели SCADA-систем[править]
Наиболее распространённые SCADA-системы представлены в таблицах ниже[7].
Зарубежные SCADA[править]
| №№ | Наименование | Фирма-производитель | Страна |
|---|---|---|---|
| WinCC[8] | Siemens | Германия | |
| Vijeo Citect | Schneider Electric | Франция | |
| InTouch[9] | Wonderware | США | |
| RSView32 | Rockwell Automation | США | |
| Genesis64 | Iconics | США | |
| MOSCAD | Motorola | США | |
| Real Flex | BJ Software Systems | США |
Отечественные SCADA-системы[править]
| №№ | Наименование | Фирма-производитель |
|---|---|---|
| Trace Mode[10] | AdAstra | |
| IMAGE | Numpha Soft (Финляндия – Россия) | |
| MasterSCADA[11] | ИнСАТ | |
| VNS | ИнСАТ | |
| КРУГ 2000 | КРУГ | |
| CKAT-M | Центрпрограммсистем | |
| КАСКАД | АО «Элара» | |
| VIORD microSCADA | ФИОРД | |
| МИКСИС (MIKSys) | МИФИ |
В отличие от большинства зарубежных SCADA-систем все российские системы содержат встроенные средства программирования контроллеров с использованием языков стандарта МЭК61131-3[12], в том числе языка функциональных блоков. Причём, если программно-инструментальный комплекс разработки проекта SCADA-системы рассчитан на работу в среде Windows на IBM PC-совместимых компьютерах, то среда исполнения (Runtime) может работать и на других платформах, например, в ОС Linux на процессоре с архитектурой ARM (англ. Advanced RISC Machine).
Стандарт OPC поддерживают все перечисленные системы.
Примечания[править]
- ↑ 1,0 1,1 Автоматизированные системы диспетчерского и технологического управления. Всё о SCADA-системах. ООО «НТЦ ЭНЕРГО-РЕСУРС». Проверено 17 февраля 2024.
- ↑ ГОСТ Р МЭК 60073-2000. Интерфейс человекомашинный. Госстандарт России (01.01.2002). Проверено 20 февраля 2024.
- ↑ ГОСТ IEC 60447-2015. Интерфейс «человек-машина». Госстандарт России (2016-10-01). Проверено 21 февраля 2024.
- ↑ Что такое SCADA. Sielco Sistemi. Проверено 17 февраля 2024.
- ↑ Системы сбора данных и диспетчерского управления. Проверено 19 февраля 2024.
- ↑ ОРС сервер. Проверено 19 февраля 2024.
- ↑ Общая характеристика SCADA-систем. SCADA. Проверено 20 февраля 2024.
- ↑ Обзор SIMATIC HMI SCADA WinCC V7. ООО Промэнерго Автоматика. Проверено 20 февраля 2024.
- ↑ Scada система Intouch компании Wonderware. ООО "Торнадо-Проект. Проверено 20 февраля 2024.
- ↑ Обзор SCADA TRACE MODE 6. TRACE MODE. Проверено 20 февраля 2024.
- ↑ SCADA СИСТЕМА MASTERSCADA. ИНТЕЛЛЕКТУАЛЬНЫЕ СИСТЕМЫ АВТОМАТИЗАЦИИ ТЕХНОЛОГИИ. Проверено 20 февраля 2024.
- ↑ ГОСТ Р МЭК 61131-3-2016. КОНТРОЛЛЕРЫ ПРОГРАММИРУЕМЫЕ. Госстандарт России (2017-04-01). Проверено 21 февраля 2024.
Литература[править]
Кангин В. В, Кангин М. В., Ямолдинов Д. Н. Разработка SCADA-систем. Учебное пособие. — 2-е изд. — «Инфра-Инженерия», 2023. — 564 с. — ISBN 978-5-9729-1658-0.
Андреев Е. Б., Куцевич Н. А., Синенко О. В. SCADA-системы: взгляд изнутри. — «Космоскоп», 2004. — 176 с. — ISBN 5-9900271-1-7.
![]() | Одним из источников, использованных при создании данной статьи, является статья из википроекта «Знание.Вики» («znanierussia.ru») под названием «SCADA», расположенная по следующим адресам:
Материал указанной статьи полностью или частично использован в Циклопедии по лицензии CC-BY-SA 4.0 и более поздних версий. Всем участникам Знание.Вики предлагается прочитать материал «Почему Циклопедия?». |
|---|


